- Pi плеер
- Hi-Fi и High-End техника или энциклопедия звука и видео
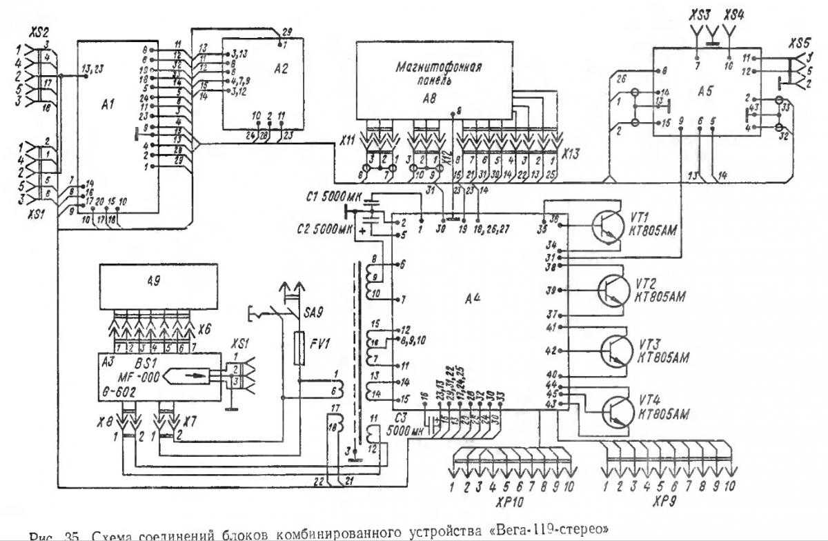
- Электропроигрыватель. Вега-ЭП-110-стерео(Схемы электронных устройств)
- Содержание / Contents
- Hi-Res наушники дешевле чем кажутся
- BlackPlayer Music Player — хороший аудиопроигрыватель для телефона
- Dub Music Player
- Электропроигрыватель. Вега-ЭП-110-стерео(Схемы электронных устройств)
- Pulsar Music Player
- AIMP
- В каком случае требуется функция активного шумоподавления
- Принцип работы
- Технические нюансы
- Музыкальный плеер от InShot Inc.
- Лучшие внутриканальные наушники и вкладыши JBL
- JBL REFLECT FLOW
- JBL Endurance SPRINT
- JBL E25BT
- JBL T110BT
- JBL Tune 120 TWS
- Рейтинг вакуумных
- Xiaomi Hi-Res Pro HD
- Наушники Sony MDR-EX15AP
- Модель iiSii K8
- PlayerPro Music Player
- NRG Player
- Особенности и отличия от обычных
- Чистый музыкальный проигрыватель
- Poweramp Music Player
- Foldplay: музыкальный проигрыватель с папками
- Shuttle Music Player
- PlayerPro Music Player
- Музыкальный плеер от mytechnosound
- Что значит Hi-Fi и чем отличается от Hi-End?
- Музыкальный проигрыватель Nocturne
- Rocket Music Player
- Frolomuse Mp3-плеер
- Преимущества и недостатки аппаратуры Hi-Fi
- Casse-o-player
Pi плеер
Developer:
Price:
Free
Это тип проигрывателя, который не может похвастаться красивой внешней оболочкой, его меню скорее выполнено в стиле «минимал», зато полезных функций у программы хоть отбавляй. Пользователи могут нарезать любимые песни на рингтоны, редактировать метаданные, управлять программой в режиме блокировки смартфона, ставить будильник или выключать плеер по таймеру, настраивать частоты в параметрическом эквалайзере или выбирать готовые жанровые шаблоны, а также применять функцию «Pi Power Share». Функция «Pi Power Share» представляет собой браузер с технологией «Send Anywhere». С помощью этой технологии можно отправлять песни, альбомы или плейлисты всем пользователям Pi плеера.
Hi-Fi и High-End техника или энциклопедия звука и видео
Извлеките его из ЭПУ. Снова собираем и пробуем, после произведенных замен необходимо установить рабочую точку регулятора R35 при помощи подстроечников R31 и R32 для каждой из скоростей вращения.
Имею Unitra GС и стандартную начинку в стандартном корпусе. Скорость вращения не стабилизировалась,автостоп не работал.
Скорость вращения не стабилизировалась,автостоп не работал.
Снова собираем и пробуем, после произведенных замен необходимо установить рабочую точку регулятора R35 при помощи подстроечников R31 и R32 для каждой из скоростей вращения. Среди обсуждений много всего и все датировано несколькими годами ранее, но хочется остановиться на определенном варианте гарантирующем хороший звук и не особо дорогой. Профилактика электропроигрывателя «Вега ЭП » Приветствую пикабушники! Со светом падает до нескольких кОм.
Статья по теме: Простая смета на электромонтажные работы
Электропроигрыватель. Вега-ЭП-110-стерео(Схемы электронных устройств)
Фоторезистор отпаял, без света сопротивление большое, стремиться к бесконечности. Все в порядке?
Фоторезистор отпаял, без света сопротивление большое, стремиться к бесконечности. Со светом падает до нескольких кОм. Неужеле и правда двигатель? Головка стоит ГЗМ
Содержание / Contents
Головка стоит ГЗМ Для настройки головки, необходимо использовать программу TemplateGen. Извлеките его из ЭПУ. Сразу же проверьте свечение лампы Е2 в оптодатчике, она может быть сгоревшей, но, поскольку САР электропривода работает в относительно узком диапазоне, можно вполне понизить частоту вращения до номинала по меткам и все будет работать, но звук , естественно, будет плавать. В идеале кончик иглы должен попадать точно в центр, но на практике на вертаках класса это сложно сделать если на строить «центр» на внешней окружности, будет небольшой сдвиг в окружности, которая ближе к центру диска.
Головка стоит типа ГЗМ Затем вращая противовес головки уравновешиваем тонарм, и устанавливаем значение прижимного усилия около ,5 грамма на грузе есть риски.
Проигрыватель ВЕГА ЭП 110 стерео, потихоньку собираю винтажный звук.
Hi-Res наушники дешевле чем кажутся
Первым примером и одними из самых дешевых наушников могут считаться наушники Xiaomi Mi Dual-Unit Semi-in-Ear. Компания Xiaomi давно приучила нас к тому, что они пытаются выпустить что-то хорошее за небольшие деньги. По понятным причинам получается это не всегда, но, как говорится, “попытка засчитана”. Тем более, что сделаны наушники из керамики.
Так получилось и с наушниками. Даже в российских магазинах их можно найти дешевле, чем за 1000 рублей. При этом, они прошли сертификацию японской ассоциации и поддерживают высококачественный звук, выходящий за пределы качества звучания CD.
Конечно, говорить о том, что они в полной мере раскроют все прелести формата не приходится, поэтому, если подходить к делу более серьезно, стоит обратить внимание на более дорогие модели. Основные характеристики:чувствительность — 105 дБимпеданс — 32 Омчастотный диапазон — от 20 до 40000 Гц
Основные характеристики:чувствительность — 105 дБимпеданс — 32 Омчастотный диапазон — от 20 до 40000 Гц
BlackPlayer Music Player — хороший аудиопроигрыватель для телефона
| Название музыкального mp3 плеера | BlackPlayer Music Player |
| Разработчик | KodarKooperativet |
| Скачиваний приложения на Google Play | 1,000,000 — 5,000,000 |
| Системные требования | Android 2.3.3 > |
| Воспроизводимые форматы аудио | MP3, WAV, OGG |
Практичность аудиопроигрывателя BlackPlayer Music Player заключается в том, что для его работы не требуется больших затрат ресурсов мобильного устройства, поэтому торможения в BlackPlayer Music плеере не наблюдаются.
BlackPlayer — хороший минималистичный плеер
На главном экране аудиоплеера на андроид имеется две панели навигации. Верхняя позволяет сортировать все имеющиеся музыкальные произведения следующими способами: треки, исполнители, альбомы, жанры, и в полной версии – папки. Также смену вида производится слайдом по экрану в соответствующую сторону. Боковая же панель навигации представляет из себя меню и содержит такие пункты: библиотека, списки воспроизведения, поиск музыки, эквалайзер, визуализатор и настройки.
Эквалайзер в медиаплеере «BlackPlayer Music Player» имеет пять полос, а также готовые пресеты настроек. После открытия эквалайзера, в верхней панели либо свайпом можно перейти в меню звуковых эффектов, где имеются следующие функции: управление балансом, усиление басов, звуковой виртуализатор и усилитель. Выбрав в основном меню «виртуализатор», Вы сможете настроить и включить звуковую заставку, сопровождающую воспроизведение музыки.
Среди настроек приложения имеются такие полезные как реакция программы «BlackPlayer Music Player» на подключение/отключение наушников или на звонок, а также различные настройки интерфейса и оформления. Говоря о медиаплеере в целом, следует отметить его простоту и скорость работы, к недостаткам же отнесем плохую читабельность текстов кириллицы.
Рейтинг на Google Play:
Dub Music Player
Developer:
Price:
Free
Если пользователям важен внешний вид, в этом случает DMP – лучший выбор. Обложка плеера выглядит стильно и похожа на панель управления современных музыкальных центров с серым, черным, серебристым или позолоченным металликом на всей поверхности: на энкондере, на кнопках переключения песен, стоп\плей и кнопке доступа к эквалайзеру.
По умолчанию верхняя часть темы выделена под список воспроизведения, но может быть изменена на графический эквалайзер (с прыгающими столбцами разных цветов), на крутящуюся пластинку или на парную шкалу измерения громкости в децибелах. Главная фишка плеера – регулировка уровня басов, подарившая программе приставку «Dub» в начале названия. Если у вас качественные наушники и «крепкий» музыкальный вкус, тогда вам понравится решение добавить к своим песням низких частот.
Электропроигрыватель. Вега-ЭП-110-стерео(Схемы электронных устройств)
Напряжения в контрольных точках указанных в схеме вроде совпадают не измерил только после фоторезистора — нет «лампового» вольтметра. Определитесь с неисправностью, как правило это нестабильная частота вращения двигателя, которую невозможно выставить по меткам без ухода. Обязательно разбираем двигатель привода, смазываем подшипники якоря, также смотрим на целостность щеток и отсутствие наносов бронзы на соседние токосъемники обмоток, прочищаем иглой, убираем заусеницы. Разбираем опорный узел вала диска и меняем загустевшую смазку.
Постоянное напряжение на выходе детектора на VD2, VD3 должно меняться в широких переделах при затормаживании двигателя рукой.
Оконечный ключ ВС может иметь деградированные переходы с пониженным обратным сопротивлением.
Так же используя параллельные линии на распечатанном шаблоне устанавливаем иглу головки параллельно им. Легким постукиванием по оси двигателя добейтесь отделения днища от корпуса.
В общем пойдет для начала. Да разногласные мнения по поводу крепления стола ЭПУ.
И что в конце концов было причиной неисправности. В общем пойдет для начала.
Корпус проигрывателя отмываем при помощи фейри. Одни говорят о мертвом крепеже — другие на пружины его ставят.
Вега ЭП-110 + Audiotechnica AT-91
Статья по теме: Снип земляные работы при прокладке кабеля
Pulsar Music Player
Developer:
Price:
Free
Данный музыкальный плеер, который по сути состоит из множества мелких функций. Во время каждого включения программа сканирует память на наличие новых песен и (если таковые имеются) добавляет их в общую библиотеку. При переходе от одного трека к другому использует перекрестное затухание. В главном меню находится регулировка скорости воспроизведения и кнопка входа в загрузчик для скачивания музыки из интернета.
Здесь же можно воспользоваться функцией «скробблинг» для передачи своих музыкальных вкусов на LastFM и последующей генерации сервисом списка рекомендуемой музыки. Также программа поддерживает управление голосовыми командами, позволяет установить будильник или таймер сна. В остальном это привычный плеер, имеющий стандартные настройки и удобный интерфейс.
AIMP
Developer:
Price:
Free
Этот идейный наследник знаменитого проигрывателя WinAmp, выходившего в разных версиях на ПК с 1997 года по 2018, сохранил в себе удобный интерфейс прародителя, а также его громоздкое меню настроек. Плюс это или минус – пусть каждый решает сам.
Меломаны, знакомые с программой, обожают ее за огромное количество регулируемых параметров: от сменяемых обложек и тем до возможностей настройки восьмиканального эквалайзера.
Однако остальным все это может и не понадобиться, что никак не повлияет на интерес к музыкальному плееру. Интерфейс приложения отзывчив к пользователю – выбираете трек или загружаете готовый плейлист и песня начинает звучать. То есть проигрыватель одинаково подходит всем людям, независимо от их уровня знаний и пониманий специфики работы подобных программ.
В каком случае требуется функция активного шумоподавления
Подобная гарнитура пользуется спросом у людей, которые много времени проводят в разъездах
Следует обратить внимание на то, что во многих рекламных роликах лучшие мировые производители показывают мужчин и женщин представительского класса. Успешные и невероятно занятые, они будут брать с собой в дорогу самые хорошие наушники
Стоит отметить, что в эконом-классе также часто встречаются люди с гарнитурой. Общественный транспорт – не единственное место, где пригодятся шумоподавляющие наушники.
Принцип работы
Звук представляет собой ряд акустических волн
Если взять во внимание шумы, исходящие с улицы, после их инвертирования – отзеркаливания, они будут направлены на исходную позицию, что позволит компенсировать потоки в ноль. Система активного шумоподавления состоит из таких компонентов:
| Элемент | Описание |
|---|---|
| Батарейка или аккумулятор | Для нормального функционирования гарнитуры требуется наличие источника питания. |
| Микрофон | Зачастую размещаются с тыльной стороны аксессуара. Способны улавливать окружающие звуки. |
| Динамик | Антишумы размещаются внутри этого элемента, который также отвечает за воспроизведения музыки. |
| Вспомогательная начинка | Дополнительно установленная электроника способна инвертировать на 180° то, что было зафиксировано микрофоном. Шумы будут транслироваться в динамик изделия. |
Микрофон наушника улавливает шумы окружающей среды, которые инвертируются и направляются в динамик. В конечном счете отзеркаленные копии и сами звуки уничтожают друг друга. Теоретически такое решение позволит наслаждаться чистым звуком с хорошим басом без посторонних шумов. Для достижения определенной инверсии сигналов может использоваться несколько способов. Первый считается аналоговым, который будет преобразовываться посредством транзисторов. Технологически такое решение считается самым простым, но эффективным. Применяется при создании звуковых карт, предусилителей и некоторой аудиотехнике.
Для того, чтобы звучание было действительно качественным, простой инверсии будет недостаточно. Также учитывается ряд вспомогательных нюансов, среди которых:
- Устранение шумов, возникающих в резонансах и схеме гармоники.
- Полученные с АЧХ микрофонов шумы преобразовываются в звуки и передаются на АЧХ динамик.
- Из динамиков сигнал удаляется.
- Расположенный поблизости микрофон будет автоматически улавливать отголоски музыки.
- К тому же наблюдается некоторое изменение шумового сигнала в процессе прохождения его через корпус конструкции.
По сути представленная выше цепочка является невероятно сложным технологическим процессом обработки звукового сигнала, который после реализуется на современные наушники. Для этого используются DSP процессоры. Процесс преобразования можно представить как видоизменение сигнала в единицы и нули. После этого система будет проделывать различные фокусы, которые позволят превратить волны в звуки, издаваемые динамиками.
Технические нюансы
Не беря в расчет современные технологии, процесс активного шумоподавления может быть весьма эффективным при работе в определенных частотах – 100-1000 Гц. Связанно это с тем, что небольшие микрофоны весьма ограничены по АЧХ, которые применяются в большинстве гарнитур. Частоты ниже 100 Гц глушить нет смысла, так как такие мощные басы будут улавливаться даже человеческим телом. Заглушить помехи на частоте 1000 Гц способны только те конструкции, в основе которых лежит использование нескольких микрофонов: высокочастотный и низкочастотный.
Активная шумоизоляция, которая будет работать на таких частотах, в комплексе с пассивной приведет к снижению фоновых шумов на 20-30 Дб. Человеку будет казаться, что в такой гарнитуре ему будет на 70% комфортнее, по сравнению с полноразмерными или накладными наушниками. Помимо привычных всем вакуумных вкладышей, технология встречается на шумных производствах. Пользуется повышенным спросом среди спортсменов, работников аэропортов, в том числе и пилотов. Проводные и Bluetooth, они станут самым хорошим подарком для профессиональных стрелков, гонщиков и байкеров.
Музыкальный плеер от InShot Inc.
Developer:
Price:
Free
Этот экземпляр имеет стильный дизайн и необходимый минимальный функционал, которые делают приложение крепким середнячком среди обозреваемых плееров. Пользователи могут менять темы внешней оболочки программы, настраивать эквалайзер, применять разные звуковые эффекты к песням, дополнительно усиливать басы, сканировать устройство для определения новых треков или искать их по ключевым словам, создавать плейлисты, воспроизводить музыку в случайном порядке. Если вам нужна простая программа без наворотов, то данный музыкальный плеер – замечательный выбор.
Лучшие внутриканальные наушники и вкладыши JBL
JBL REFLECT FLOW
JBL REFLECT FLOW поддерживают функцию Ambient Aware, позволяющую разговаривать в условиях повышенного шума, не снимая наушники. Модель не теряет своей актуальности и в 2020 году.
Подключение гарнитуры к устройствам осуществляется при помощи технологии Bluetooth 5.0: соединение будет очень быстрым и стабильным.
Звучание композиций в этих наушниках будет насыщенным и глубоким, звук доступен на частоте 20-20000 Гц.
Устройство соответствует стандарту защиты IPX7 и использует для работы аккумулятор емкостью 110 мА ч с поддержкой быстрой зарядки.
Основные функциональные характеристики:
- внутриканальные, закрытые;
- Bluetooth 5.0;
- продолжительность работы — 10 ч (от аккумулятора в кейсе — 20 ч);
- беспроводная зарядка кейса;
- защита от воды;
- вес — 85 г.
Плюсы
- качество звука;
- качество сборки;
- удобство ношения.
Минусы
нет регулировки громкости на самих наушниках.
JBL Endurance SPRINT
Bluetooth стереогарнитура JBL Endurance SPRINT – это функциональные наушники в черном корпусе, защищенном от влаги в соответствии со стандартом IPX 7.
Модель создана для спортсменов и тех, кто любит заниматься спортом под звучание энергичных треков.
Подключение к устройствам осуществляется по Bluetooth 4.2, поэтому на тренировках гарнитура позволяет достичь максимальной концентрации.
Крепление на на клипсу способствует надежной и стабильной фиксации гарнитуры и не допустит потери устройства.
Основные функциональные характеристики:
- внутриканальные;
- Bluetooth 4.2;
- продолжительность работы — 8 ч;
- беспроводная зарядка кейса;
- защита от воды.
Плюсы
- качество сборки;
- звукоизоляция;
- надежность.
Минусы
не выделены покупателями.
JBL E25BT
Стереогарнитура беспроводная JBL E25BT — миниатюрная универсальная модель карманного формата, характеризующаяся высоким качеством звука и простым, но эффектным дизайном.
Наушники оформлены в черном цвете и укомплектованы вакуумными, вставными амбушюрами нескольких размеров, предоставляющими пользователю возможность выбора наиболее комфортной для него пары.
Наушники работают по звуковой схеме 2.0 и являются беспроводными, поэтому они не нуждаются в акустическом кабеле для подключения к воспроизводящему устройству.
Основные функциональные характеристики:
- внутриканальные, закрытые;
- Bluetooth 4.1;
- продолжительность работы — 8 ч;
- беспроводная зарядка кейса;
- вес — 16.5 г.
Плюсы
- качество сборки;
- звукоизоляция;
- качество звука.
Минусы
не указаны покупателями.
JBL T110BT
1 Наушники JBL T110BT обладают миниатюрными амбушюрами и создают закрытое акустическое оформление.
К особенностям модели можно отнести возможность магнитного крепления.
Модель имеет стандартный диапазон воспроизводимых частот (20–20000 Гц), а также укомплектована встроенным микрофоном с фиксированным креплением.
Микрофон оснащен кнопкой «ответ/завершение вызова», кнопками регулировки громкости и переключения композиций.
Наушники поддерживают опцию беспроводного Bluetooth-соединения и могут автономно работать до 6 часов.
Основные функциональные характеристики:
- внутриканальные;
- Bluetooth 4.0;
- продолжительность работы — 6 ч;
- беспроводная зарядка кейса;
- вес — 16.2 г.
Плюсы
- качество сборки;
- звукоизоляция;
- удобство ношения.
Минусы
не выделены пользователями.
JBL Tune 120 TWS
Беспроводные наушники с микрофоном JBL Tune 120 TWS имеют закрытое акустическое оформление, что позволяет комфортно прослушивать музыку в общественных местах.
Корпус имеет эргономичную форму и оснащен силиконовыми амбушюрами, что предотвращает выпадение наушников.
Благодаря мембранам диаметром 5,6 мм и широкому диапазону частот от 20 до 20000 Гц музыка в разных жанрах имеет естественное звучание.
Чувствительность 95 дБ и сопротивление 14 Ом обеспечивают высокое качество звука на любой громкости.
Основные функциональные характеристики:
- внутриканальные;
- Bluetooth 4.2;
- продолжительность работы — 4 ч (от аккумулятора в кейсе — 12 ч);
- беспроводная зарядка кейса;
- вес — 73 г.
Плюсы
- качество звука;
- звукоизоляция;
- надежность.
Минусы
не отмечены пользователями.
Рейтинг обновлен 12 сентября 2021 года.
Рейтинг вакуумных
Представляем ТОП-3 вакуумных наушников.
Xiaomi Hi-Res Pro HD
Представляют собой изделия закрытого типа, беспроводные вкладыши. Имеются регулятор громкости, пульт дистанционного управления, встроенный микрофон. Спектр частот – от 0,020 до 40 кГц, импеданс – 32 Ом, восприимчивость – 98 Дб. Корпус изготовлен из металла. В комплектацию включен кабель.
Наушники Sony MDR-EX15AP
Это вакуумные наушники, которые дают возможность слушать с комфортом музыку во время спортивных занятий или танцев, потому что форма вкладышей позволяет изделию плотно прилегать к уху и не выпадать даже при слишком интенсивных действиях.
Частотный спектр составляет 0,008–22 Гц, восприимчивость – 100 Дб, что гарантирует высокое качество звучания. Выпускаются в нескольких расцветках. Бюджетные по стоимости.
Модель iiSii K8
Представляет собой легкое и стильное изделие, которое создано для людей, желающих слушать музыку в высоком разрешении даже в пути или во время занятий спортом. Конструкция сочетает в себе арматурный и динамический драйверы, создает высококачественный звук, а обширный спектр частот дает возможность слушать музыкальные произведения в Hi-Res-формате.
Данная модель прошла сертификацию и соответствует стандарту Hi-Res Audio, что подтверждает хорошее качество передачи звуковых волн.
PlayerPro Music Player
Developer:
Price:
Free
PPMP – один из лучших музыкальных плееров для Android – плеер-тяжеловес для настоящих адептов музыкального идолопоклонничества. Именно поэтому за программу придется заплатить или пользоваться бесплатными 15-ти дневными триалами. Функций у приложения миллион и огромная телега.
Оно буквально напичкано всем, чем можно. Кроме скинов, виджетов, трех десятков жанровых шаблонов, возможности закачки треков и обложек из интернета, пользователи смогут смотреть видео всех популярных форматов, а также управлять каждой частичкой интерфейса при помощи жестов. Программа-монстр в своем рыночном сегменте мобильных приложений.
NRG Player
На закуску я оставил самый необычный плеер среди всех прочих: NRG Player выглядит футуристичным вне зависимости от скина, и это отличает его от всех прочих участников нашего чарта.
Впрочем, вопрос другой: как это сказывается на функционале? Ответ – нехорошо.

Интерфейс оказался замудренным. Одна кнопка действует не по логике вещей, двойной тап на плей-лист иногда переключает воспроизведение на песню вместо раскрытия его на полный экран, а jog wheel, которое, по идее, должно быть удобней полосы воспроизведения, на деле только запутывает, поскольку неясно, где начало, а где конец песни.

И отсутствует gapless, что также минус. Но все функции доступны в двухнедельной триал-версии, что, впрочем, плюс. Равно как и десятиполосной эквалайзер и gain. Но вот почему плеер, который явно в аутсайдерах нашего списка, стоит дороже всех прочих — целых 5 долларов просят за анлокер NRG Player.
Особенности и отличия от обычных
Для того чтобы лучше охарактеризовать особенности Hi-Res Audio, необходимо иметь понятие о некоторых показателях. К примеру, для обычного mp3-формата замечательным битрейтом является 320 Кб/c, а для Hi-Res Audio наименьшим станет 1 тыс. Кб/с. Таким образом, разница выходит больше чем в три раза. Есть разница и в диапазоне дискретизации, или, как ее ещё именуют, семплирования.
Имеются конкретные требования для изделий c хорошим качеством звучания. Этих требований должны придерживаться изготовители при создании своих девайсов. Для того чтобы на упаковке с наушниками был ярлык Hi-Res Audio, изделия обязаны обеспечивать звук на частоте 40 тыс. Гц. Любопытно то, что такой звук находится за границами восприятия человеческого слуха, способного улавливать ориентировочно 20 тыс. Гц (или меньше, в соответствии с возрастом человека).
Но это совсем не означает, что звуковые сведения за границами этого диапазона для человека не имеют пользы. В случае когда наушники готовы воспроизвести подобный обширный спектр, это, несомненно, поможет убедиться, что та доля спектра, которую мы сможем воспринимать, сформирована и передается всецело и с наименьшим искажением, как только это возможно. А не укорочена в границах спектра нашего слуха.
В то же время у обычных наушников могут быть искажения во время воспроизведения звука в тот период, когда звуковая частота начинает приближаться к приграничным возможностям. Изделия не могут воспроизвести частоты как следует или не справляются с воспроизведением вообще. Hi-Res Audio обрабатывают весь диапазон звуковых частот, при этом качество остается на высшем уровне.
Наушники Hi-Res Audio состоят из динамика и сбалансированного арматурного драйвера. Кроме этого, в комплекте с ними идут присоединяемый шнур и несколько сменных фильтров, которые дают возможность выбора между уравновешенным звуком, увеличением высоких или низких частот. Наушники комплектуются аксессуарами. К ним относятся футляр для перемещения, устройство, позволяющее пользоваться аудиосистемой в самолете, и инструмент, используемый для того, чтобы очищать изделие.
Главными свойствами являются:
- восприимчивость – 115 дБ;
- импеданс – 20 Ом;
- частотный спектр – от 0,010 до 40 кГц.
Чистый музыкальный проигрыватель
Одно из самых легких музыкальных приложений — Clean Music Player, разработанный Майклом Хауэллом. Вы можете опешить, когда запускаете приложение в первый раз. Это потому, что он показывает все папки на вашем устройстве, независимо от того, есть ли в них музыкальный файл или нет. Вам нужно самостоятельно найти папки с вашими музыкальными файлами.
Clean Music Player не поддерживает исполнителей и альбомы. Однако он поддерживает перемешивание, повтор и даже предлагает эквалайзер. Кроме того, в приложении есть и поиск. Мало того, я был удивлен, увидев, что крошечное приложение также запоминает позицию последней проигранной песни.
По умолчанию некоторые функции не включены. Вам нужно активировать их из настроек. Самый большой недостаток приложения в том, что разработчик больше не поддерживает его.
Размер: 80–180 КБ
Плюсы:
- Чрезвычайно легкий
- Запоминает последнюю позицию
- Эквалайзер
Минусы:
- Больше не поддерживается
- Не поддерживает категоризацию художников
Poweramp Music Player
Вторым номером идет Poweramp Music Player, который также многие называют лучшим. Позволю с этим не согласиться как минимум потому, что плеер не всегда распознает обложки в каталоге автоматически – порой приходится скачивать их вручную. Отмечу, что это единственный плеер в нашем списке с подобной проблемой — «как-то, доктор, неаккуратненько».

Интерфейс «интуитивно понятным» назвать нельзя, при всем уважении, а подсказки, появляющиеся при первоначальной загрузке, выполнены в той же черно-белой гамме, что и сам плеер, и это сбивает с толку.
Но в остальном плеер весьма хорош. Он поддерживает все обычные и «аудиофильские» форматы (включая APE, ALAС и FLAC), а из интересных фишек хотелось бы выделить возможность компоновки плей-листа вручную из файлов в разных каталогах одновременно. Режим gapless работает корректно, есть также возможность редактирования тэгов у файлов.

Присутствуют и традиционные функции, как эквалайзер (с отдельными кнобами treble/boost), множество пресетов, поддержка различных тем и языков. Есть и разнообразные виджеты – причем для систем на основе Android 4.2 и выше доступны виджеты для экрана блокировки.
Пробная версия полнофункциональна и работает 15 дней. По истечении которых с вас запросят 4 доллара.
Foldplay: музыкальный проигрыватель с папками
Как следует из названия, основное внимание уделяется папкам. Нет исполнителей, альбомов и подобных категорий
Приходится проигрывать музыку из папок. И, да, приложение поддерживает списки воспроизведения. Вы даже можете создавать закладки для папок.
На экране «Сейчас воспроизводится» у вас есть два способа перемотать песню вперед или назад — с помощью ползунка и кнопок. Кроме того, помимо запоминания положения, приложение позволяет вам установить таймер сна, встряхнуть, чтобы пропустить песню, настроить цвет темы и многое другое.
Размер: 2-3 МБ
Плюсы:
- Закладки для папок
- Помните позицию
Минусы:
Трудно найти новые файлы
Shuttle Music Player
Интерфейс Shuttle Music Player по сравнению с грозными мрачными интерфейсами других приложений кажется очень простым и милым. У него нет завернутых через одно ухо и две ноги стрелок, нет давящих и тяжелых черных кнопок и реалтайм-мануалов, которые больше запутывают, чем объясняют.
А еще у него нет воспроизведения по каталогам. Сие является огромным минусом данной программы, и даже при всей ее простоте и интуитивной понятности простить Shuttle Player за это нельзя. Но хочется. И за Sleep Timer тоже.
А главный плюс – плеер бесплатен. Он поддерживает все аудиофильские форматы и даже gapless не вызывает нареканий. В общем, все бы ничего, но отсутствие воспроизведения по каталогам печалит.
PlayerPro Music Player
В одном из прочитанных мной обзоров PlayerPro Music Player был назван лучшим, что на самом деле вообще ничем не подтверждается. У него довольно простой, правда, интуитивно понятный интерфейс, но есть масса мелких минусов, которые портят впечатление.

Разумеется, PlayerPro, как и все остальные, обладает поддержкой почти всех форматов файлов, включая аудиофильские FLAC, ALE и ALAC. У него пара десятков пресетов эквалайзера, различные предустановки для реверберации — выглядит это все весьма аляповато. По умолчанию включен кроссфейд между треками, а эквалайзер регулирует только по пяти позициям.
И вот с плавным воспроизведением у плеера проблемы. Режим без пропусков между треками Gapless почему-то не работал, возникали помехи в воспроизведении при навигации по устройству и изменения настроек вообще были с небольшой, но раздражающей задержкой.

Но нужно отметить очень удобную функцию Sleep Timer. Это, вероятно, для тех, кто любит засыпать под музыку, но не любит спать под нее всю ночь: указываете время, когда плееру нужно отключиться и спите в тишине на здоровье.
Плеер можно играть как по тегам, так и по папкам, но выделить несколько файлов в разных папках, чтобы добавить их в плей-лист, оказалось нельзя (либо слишком сложно, чтобы это обнаружить). Виджеты есть. А у кого их сейчас нет?
Музыкальный плеер от mytechnosound
Developer:
Price:
Free
Программа, вставшая в один ряд с Pi плеером и наделенная чуть меньшим количеством функций, но имеющая один приятный бонус. Здесь также можно делить музыку на отрезки, выбирать темы, настраивать частотные полосы эквалайзера, устанавливать таймеры и будильники, блокировать экран смартфона и управлять программой во время блокировки.
Приложение содержит и остальные привычные инструменты, отвечающие за настройку звучания и воспроизведение музыки. Единственное тонкое отличие – это наличие виджета, с помощью которого можно включать музыку с главного экрана, не запуская приложение.
Что значит Hi-Fi и чем отличается от Hi-End?
Hi-Fi – это сокращение от «High Fidelity», что означает «высокая точность». В теории Hi-Fi наушники передают звук максимально достоверно, близко к оригиналу и почти без искажений. Чтобы получить статус «Hi-Fi», наушники должны соответствовать стандарту DIN-45500 – то есть проходить по следующим требованиям:
- Искажение амплитуды – до 4 дБ.
- Частотный диапазон – от 20 до 20000 Гц (воспроизводятся все частоты, распознаваемые человеческим ухом).
Есть также требование по уровню шума в децибелах, но конкретно для наушников оно неактуально.
В 70-х, когда появилось понятие «Hi-Fi», наушники, соответствующие описанным требованиям, были «в диковинку» и стоили бешеных денег. Однако благодаря современным технологиям выпустить наушники с частотным диапазоном 20-20000 Гц проще простого – этим уже никого не удивишь. Производители стали лепить модное «Hi-Fi» на все подряд, имея право. Так что на практике «Hi-Fi» – больше не знак качества. Даже наушники с шикарными техническими характеристиками могут звучать посредственно, если производитель экономит на материалах и при изготовлении аудиотехники использует дешевый пластик.
Несмотря на некоторую созвучность, «Hi-End» – это понятие «из другой оперы». Такой статус присваивается дорогому эксклюзивному аудиооборудованию. При этом требования по характеристикам звука для Hi-End наушников не определены. Говоря метафорически, Hi-Fi – это квартира с хорошим ремонтом недалеко от центра, а Hi-End – роскошные апартаменты с бассейном в престижном отеле. Второе будет дороже, но не факт, что комфортнее.
Музыкальный проигрыватель Nocturne
Это приложение от TechNarcs имеет один из лучших дизайнов среди приложений, перечисленных здесь. На главном экране перечислены различные дорожки, доступные на вашем телефоне, а затем они показаны в разделах «Альбомы», «Исполнители», «Жанры» и т. Д. А при желании можно воспользоваться поиском, чтобы найти файл.
Приложение предлагает визуализацию полос на воспроизводящемся экране, что придает ему живость. Вы даже можете настроить их в настройках. Кроме того, вы можете изменить фон приложения. Что касается музыкальных функций, вы можете установить таймер сна и изменить эквалайзер.
Размер: 1-3 МБ
Плюсы:
- Хороший дизайн
- Аудиовизуализация
Минусы:
- Множество разрешений
- Последнее обновление в 2017 г.
Rocket Music Player
Все в плеере Rocket Music Player хорошо: и интерфейс не вызывает желания читать инструкции, и функции есть все какие надо и даже больше. И несколько видов шаффла есть, и добавление отдельных элементов в плей-лист (то есть разных каталогов и файлов)… И выглядит все очень опрятно.

В общем, все бы ничего, только почти все это благолепие доступно лишь за деньги. Если у всех остальных участников нашего хит-парада функции были полностью доступны в пробной версии (на неделю-две, но все же), то в случае Rocket Player оценить приложение можно только частично.

Возможность включения кроссфейда или режима gapless, программное усиление звука и десятиполосный эквалайзер – все это за 4 доллара (любят создатели Android-плееров эту цифру).
Кстати, проблем со звуком при переключении в другое приложение нет. Это плюс.
Frolomuse Mp3-плеер
Developer:
Price:
Free
Еще один крепкий середнячок среди обозреваемых программ. Приложение поддерживает более 20-ти музыкальных форматов, в том числе устаревшие «wav» и «ogg». Более того, плейлист может быть разделен на короткие и длинные композиции (длительность которых определяется пользователем), по жанровым отличиям, артистам и альбомам.
Функция такого типа позволяет легко перемещаться по спискам воспроизведения или сохранять их в отдельные папки. Также в плеер включена функция монтажа для нарезки песен на отдельные отрывки. Скачав программу, пользователи получат удобный интерфейс с большим количеством сменяемых тем.
Преимущества и недостатки аппаратуры Hi-Fi
К положительным сторонам музыкального хай-фай центра относят:
- Моноблочное головное устройство.
- Управление при помощи пульта.
- Минимум кабелей.
- Совместимость электронных блоков и акустики.
- Качество и чистоту звучания.
- Достаточную громкость звука.
- Подключение по Bluetooth или USB.
- Прием FM-радио.
- Компактность.
Как и любой другой электроприбор, данная система имеет свои недостатки. Ими являются:
- Высокая стоимость девайса.
- Некоторые модели достаточно габаритны.
- Мощность не более 15-20 Ватт на каждый канал.
- Комплектная акустическая система (но в случае необходимости можно отдельно приобрести новые колонки, которые обеспечат качественное звучание).
Casse-o-player
Developer:
Price:
Free
Эта версия музыкального плеера завоюет сердца ценителей эпохи «диско», когда в моду вошли кассетные проигрыватели. Внешняя оболочка программы – это качественная анимация компакт-кассеты, к которой могут быть добавлены визуальные эффекты «left\right volume» в виде двойной шкалы измерения уровня децибел, полоса длительности трека, энкондер громкости, 5-ти полосный эквалайзер.
Внутри программы пользователи найдут несколько параметров настройки звучания, выбор обложки для альбома, меню создания плейлиста и многое другое. Перемотка песен сопровождается звуком перематываемой магнитной ленты, а также при выключении наушников музыка переходит в стоп-режим, пока наушники не будут вставлены обратно в разъем или пользователь не нажмет на «play».






























